Khóa Điện Tử PP8100 Hafele 912.05.695
- Tình trạng:
- Mã QR:
- Mã sản phẩm: 91205695
- Đơn vị tính:
- Bộ
- Bảo Hành:
- 1 Năm
- Giao Hàng:
- Miễn Phí TPHCM
- Liên Hệ:
- Để Có Giá Tốt Hơn
Đặc điểm khóa điện tử Hafele 912.05.695 :
- Khả dụng : Vân tay, mã số, thẻ, chìa khóa cơ
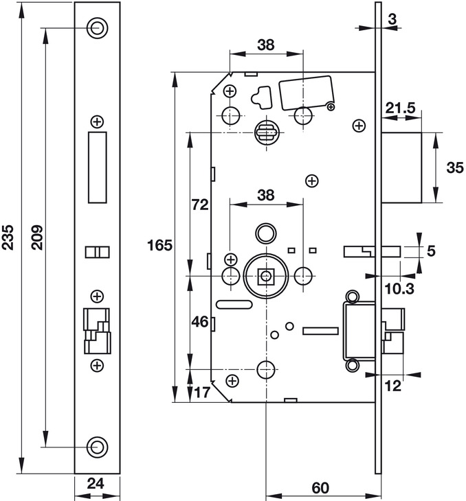
- Độ dày cửa : 38 - 90mm, đố cửa : 120mm
- Còn 100 sp - Điện thoại::0392386116 - 798 Lạc Long Quân - Phường 9, - Hafele Tân Bình
- Còn 100 sp - Điện thoại::0909835646 - 942 Nguyễn Kiệm - Phường 3, - Hafele Gò Vấp
Khóa Điện Tử Hafele PP8100 Màu Đồng Bóng. Code : 912.05.695
Tính Năng :
- Quản lý bằng mật khẩu chủ và mật khẩu người dùng
- Chức năng xác thực kép bằng cách kết hợp 2 trong 3 cách đăng nhập ( vân tay, mã số, thẻ từ )
- Tích hợp chế độ riêng tư , được tích hợp mặt trong khóa
- Tích hợp chế độ vắng nhà để tăng cường an ninh cho căn nhà
- Có thể linh hoạt thay đổi 2 chế độ khóa tự động và thủ công
- Khóa sẽ tự động tạm ngừng 5 phút sau khi nhập sai mã / vân tay / thẻ từ 10 lần liên tiếp
- Tích hợp âm thanh cảnh báo Pin yếu
- Tích hợp khả năng chống sốc điện
- Chức năng chống sao chép mật khẩu bằng cách sử dụng kèm mật mã ảo
- Có thể kích hoạt chế độ yên lặng khi cần thiết
- Có thể tích hợp với hệ thống nhà thông minh sử dụng sóng Z-wave
- Hướng dẫn cài đặt giọng nói ( Tiếng anh / Trung Quốc )
Đặc Tính :
- Khả năng lưu trữ : 100 vân tay , 100 thẻ, 1 mật khẩu chủ và 10 mật khẩu người dùng
- Kích thước mặt ngoài : W78,5 x D76,5 x H394 mm ( bao gồm tay nắm )
- Kích thước mặt trong : W78,5 x D69,5 x H394 mm
- Vật liệu : nhôm, kẽm , nhựa ABS
- Màu hoàn thiện : Đèn Đồng
- Nguồn điện : 6V ( 8 viên alkline , loại 1,5V, cỡ AA )
- Nguồn khẩn cấp : Pin 5V qua cổng USB
- Nhiệt độ vận hành : từ -25 đến 55 độ C
Thiết Kế Thích Hợp :
- Độ dày cửa : 38 - 90 mm
- Đố cửa : 120 mm
- Khác : loại cửa gỗ , khoảng cách cửa khung cửa tối thiểu 3mm
Phụ Kiện Kèm Theo :
- 2 thẻ từ lớn ( 85 x 54mm )
- 2 thẻ từ nhỏ ( 45 x 18mm )
- 2 chìa khóa cơ
Phụ Kiện Tùy Chọn :
| Mô tả | Hình ảnh | Mã số | Giá |
| Thẻ từ lớn | ![]() |
917.80.739 | 38.500đ |
| Thẻ từ nhỏ | ![]() |
912.05.369 | 61.500đ |
| Z-wave gateway kết nối nhà thông minh | 912.05.698 | 1.015.000đ |
Đặc điểm khóa điện tử Hafele 912.05.695 :
- Khả dụng : Vân tay, mã số, thẻ, chìa khóa cơ
- Độ dày cửa : 38 - 90mm, đố cửa : 120mm









